हमें ईमेल करें
उत्पादों
2V025 सोलेनॉइड वाल्व मैनिफोल्ड
  • 2V025 सोलेनॉइड वाल्व मैनिफोल्ड2V025 सोलेनॉइड वाल्व मैनिफोल्ड
  • 2V025 सोलेनॉइड वाल्व मैनिफोल्ड2V025 सोलेनॉइड वाल्व मैनिफोल्ड

2V025 सोलेनॉइड वाल्व मैनिफोल्ड

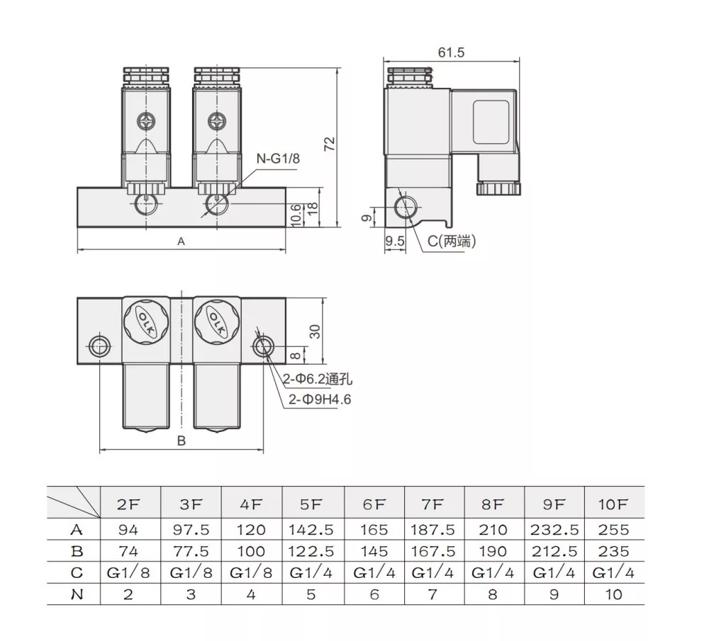
2V025 दो-स्थिति, दो-तरफ़ा प्रत्यक्ष-अभिनय सामान्य रूप से बंद सोलनॉइड वाल्व को 2 से 12 स्थितियों तक लचीले विस्तार के साथ, एप्लिकेशन आवश्यकताओं के अनुसार वाल्व बेस बनाने के लिए जोड़ा जा सकता है। इस मल्टी-स्टेशन 2V025 सोलनॉइड वाल्व मैनिफोल्ड में एक कॉम्पैक्ट और हल्का डिज़ाइन है, लेकिन इसे व्यक्तिगत उपयोग के लिए अलग नहीं किया जा सकता है। वाल्व बॉडी उच्च गुणवत्ता वाले एल्यूमीनियम मिश्र धातु से बनी है और एनबीआर सीलिंग सामग्री का उपयोग करती है।

सेवन और निकास दिशाओं के आधार पर, 2V025 सोलेनॉइड वाल्व मैनिफोल्ड को एक इनलेट और कई आउटलेट के साथ सकारात्मक दबाव प्रकारों में विभाजित किया जा सकता है, और कई इनलेट और एक आउटलेट के साथ नकारात्मक दबाव प्रकार में विभाजित किया जा सकता है। वैक्यूम पंपों में नकारात्मक दबाव लागू किया जा सकता है। चूंकि सकारात्मक और नकारात्मक दबाव विपरीत दिशाओं में काम करते हैं, कृपया ऑर्डर देने से पहले ओएलके बिक्री टीम से परामर्श लें

2V025 सोलेनॉइड वाल्व मैनिफोल्ड सामान्य पैरामीटर डेटा:

कार्रवाई

प्रत्यक्ष अभिनय

पदों की संख्या

2-स्थिति 2-तरफा

आरंभिक राज्य

नहीं,एनसी

स्नेहन

अनावश्यक

कार्य दबाव सीमा एमपीए (पीएसआई)

0~0.8Mpa(0~114psi)

गारंटीकृत दबाव प्रतिरोध

1.5एमपीए (215पीएसआई)

मानक वोल्टेज

AC220V, AC110V, AC24V, DC24V, DC12V

वोल्टेज रेंज का उपयोग करें

एसी:±15%डीसी:±10%

बिजली की खपत

एसी: 6VADC: 6W

सुरक्षा स्तर

आईपी65 (डीआईएन40050)

गर्मी प्रतिरोध ग्रेड

कक्षा बी

रिश्ते का प्रकार

DIN सॉकेट प्रकार, आउटलेट प्रकार

उत्तेजना का समय

0.05 सेकंड या उससे कम

वाल्व बॉडी

एल्यूमीनियम मिश्र धातु

अक्सर पूछे जाने वाले प्रश्न:

2V025-06 और 2V025-08 के बीच क्या अंतर है?

2V025-06 और 2V025-08 के बीच का अंतर पोर्ट व्यास का है। 06 = G1/8, और 08 = G1/4


क्या 2V025 को एक साथ जोड़कर मैनिफोल्ड वाल्व बनाया जा सकता है?

10 पीसी तक 2V025 सोलनॉइड वाल्व एक मैनिफोल्ड वाल्व बना सकता है।


2-वे वाल्व 2V025 किन परिदृश्यों के लिए उपयुक्त है?

दो-तरफा 2V025 वाल्व ब्लोइंग कार्य परिदृश्यों के लिए उपयुक्त है, लेकिन यह वायवीय सिलेंडर के लिए उपयुक्त नहीं है क्योंकि कोई निकास पोर्ट नहीं है।


क्या 2V025 सोलनॉइड वाल्व का उपयोग नकारात्मक दबाव वाले वातावरण में किया जा सकता है?

निश्चित रूप से, कई एयर इनलेट और एक आउटलेट वाला 2V025 सोलनॉइड वाल्व वैक्यूम पंप के साथ उपयोग के लिए उपयुक्त है।


क्या 2V025 द्रव नियंत्रण वेले 2 वे सामान्य रूप से खुला है?

हाँ,2V025-06-NO:इनलेट:G1/8, आउटलेट:M5

2V025-08-NO:इनलेट:G1/4, आउटलेट:M5

2 वे 2V025 सोलेनॉइड वाल्व मैनिफोल्ड मैचिंग ज्वाइंट एक्सेसरीज


हॉट टैग: 2V025 सोलेनॉइड वाल्व मैनिफोल्ड, चीन, निर्माता, आपूर्तिकर्ता, फैक्टरी
जांच भेजें
संपर्क सूचना
  • पता

    झेंगटाई रोड, ज़िंगुआंग औद्योगिक क्षेत्र, लिउशी, यूकिंग, वानजाउ, झेजियांग, चीन।

  • टेलीफोन

    86-0577 57178620

  • ईमेल

    cici@olkptc.com

हमारी वेब साईट में स्वागत है! हमारे उत्पादों या मूल्य सूची के बारे में पूछताछ के लिए, कृपया अपना ईमेल हमारे पास छोड़ें और हम 24 घंटों के भीतर आपसे संपर्क करेंगे।
ईमेल
cici@olkptc.com
टेलीफोन
86-0577 57178620
गतिमान
+86-13736765213
पता
झेंगटाई रोड, ज़िंगुआंग औद्योगिक क्षेत्र, लिउशी, यूकिंग, वानजाउ, झेजियांग, चीन।
X
हम आपको बेहतर ब्राउज़िंग अनुभव प्रदान करने, साइट ट्रैफ़िक का विश्लेषण करने और सामग्री को वैयक्तिकृत करने के लिए कुकीज़ का उपयोग करते हैं। इस साइट का उपयोग करके, आप कुकीज़ के हमारे उपयोग से सहमत हैं। गोपनीयता नीति
अस्वीकार करना स्वीकार करना