हमें ईमेल करें
उत्पादों
एफए निकला हुआ किनारा माउंट
  • एफए निकला हुआ किनारा माउंटएफए निकला हुआ किनारा माउंट

एफए निकला हुआ किनारा माउंट

Model:FA63
ओल्क वायवीय गर्मजोशी से आपका स्वागत है कि हमारे कारखाने से थोक एफए निकला हुआ किनारा माउंट। हमारे उत्पाद CE प्रमाणित हैं और वर्तमान में कारखाने की एक बड़ी मात्रा है। हम आपको अच्छी सेवा और फैक्ट्री रियायती कीमतों के साथ प्रदान करेंगे।

एफए फ्लैग माउंट एक फ्रंट माउंटिंग ब्रैकेट है जिसका उपयोग एससी श्रृंखला मानक वायवीय सिलेंडर के लिए किया जाता है।

FA FLANGE MOUNT बढ़ते छेद के साथ एक काले रंग की आयत फ्लैट है, जो SC सीरीज़ वायवीय सिलेंडर को नॉन-रॉड एंड से मशीन और सतह के लिए सुरक्षित रूप से तय की जाती है। यह आईएसओ 15552 या आईएसओ 6431 सिलेंडर बढ़ते मानकों के साथ अनुपालन करता है।


अनुप्रयोग: फ्रंट एंड पर कोष्ठक या रोबोट आर्म्स के साथ उपकरण स्थापित करने के लिए एफए-फ्रंट निकला हुआ किनारा सिलेंडर ब्रैकेट की उपयुक्तता के कारण, और आमतौर पर स्वचालित मशीनों की स्थापना छेद के रूप में एक ही विमान पर। तो कई विशिष्ट अनुप्रयोग परिदृश्य निम्नानुसार हैं

पैकेजिंग मशीनें: सटीक स्ट्रोक नियंत्रण के साथ फिक्स्ड-पोजिशन रैखिक आंदोलनों।

स्वचालन उपकरण: ऊर्ध्वाधर या क्षैतिज स्थिति में सिलेंडर के लिए स्थिर बढ़ते।

सामग्री हैंडलिंग: फिक्स्चर में उपयोग किया जाता है जहां सिलेंडर को सुरक्षित रूप से बोल्ट करने की आवश्यकता होती है।

मशीनिंग स्टेशन: प्रेस करने, धकेलने या उन कार्यों को क्लैम्प करने के लिए जिनके लिए शून्य पार्श्व आंदोलन की आवश्यकता होती है।

टेस्ट रिग्स एंड कंट्रोल यूनिट्स: जहां कठोर सिलेंडर पोजिशनिंग रिपीटिबिलिटी के लिए आवश्यक है।


अनुसूचित जाति

63

X

50

-

S

-

फाका

एससी श्रृंखला मानक न्यूमासिट सिलेंडर

जनम का आकार

 

आघात

 

एस : चुंबकीय

 

एफए: सिलेंडर हेड विथफा निकला हुआ किनारा माउंट

 

 

 

 

 

रिक्त: गैर

 



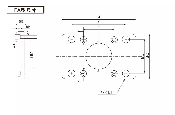
एफए निकला हुआ किनारा माउंट आकार:

कोड / बोर व्यास

32

40

50

63

80

100

125

160

200

बी ० ए

28.3

32.3

38.3

38.3

47.3

47.3

60.3

65.3

75.3

बी बी

10

10

10

12

16

16

20

20

25

ईसा पूर्व

47

52

65

76

95

115

140

180

220

बीडी

33

36

47

56

70

84

90

115

135

होना

72

84

104

116

143

162

224

280

320

बीएफ

58

70

86

98

119

138

180

230

270

बिहार

6.5

6.5

6.5

8.5

10.5

10.5

8

8

12

ए जे

10.5

10.5

10.5

13.5

16.6

16.6

19

25

25

और

6.5

6.5

6.5

8.5

10.5

10.5

13

17

17

बीपी

7

7

9

9

11

11

16

18

22

T

33

37

47

56

70

84

110

140

175


FAQs:

क्या एफए फ्रंट निकला हुआ किनारा सिलेंडर ब्रैकेट का उपयोग करने के लिए अन्य सिलेंडर के साथ मिलान किया जा सकता है?

विभिन्न सिलेंडरों के स्थापना छेद में अलग -अलग स्थिति होती है, और मैचिंग एफए निकला हुआ किनारा प्लेटों का उपयोग किया जाना चाहिए। यह एफए श्रृंखला निकला हुआ किनारा प्लेट केवल एससी श्रृंखला मानक सिलेंडर के साथ उपयोग की जा सकती है।


Olk fa निकला हुआ किनारा माउंट और fb रियर निकला हुआ किनारा? के साथ अलग -अलग

एफए फ्रंट निकला हुआ किनारा: सिलेंडर के सामने के छोर को उपकरण से कनेक्ट करें, स्थापना के दौरान बाहर की ओर पिस्टन रॉड के साथ। आमतौर पर उपकरण फ्रंट-एंड और लोड पुश परिदृश्यों में उपयोग किया जाता है।


एफबी रियर निकला हुआ किनारा: सिलेंडर के पीछे के छोर को उपकरण से कनेक्ट करें, और ब्रैकेट के पीछे सिलेंडर बॉडी को छिपाएं। उन स्थितियों के लिए उपयुक्त जहां सिलेंडर शरीर को ठीक करने की आवश्यकता है और इसकी स्थिति बनाए रखी गई है।


हॉट टैग: एफए निकला हुआ किनारा माउंट, चीन, निर्माता, आपूर्तिकर्ता, कारखाना
जांच भेजें
संपर्क सूचना
  • पता

    झेंगटाई रोड, ज़िंगुआंग औद्योगिक क्षेत्र, लिउशी, यूकिंग, वानजाउ, झेजियांग, चीन।

  • टेलीफोन

    86-0577 57178620

  • ईमेल

    cici@olkptc.com

हमारी वेब साईट में स्वागत है! हमारे उत्पादों या मूल्य सूची के बारे में पूछताछ के लिए, कृपया अपना ईमेल हमारे पास छोड़ें और हम 24 घंटों के भीतर आपसे संपर्क करेंगे।
ईमेल
cici@olkptc.com
टेलीफोन
86-0577 57178620
गतिमान
+86-13736765213
पता
झेंगटाई रोड, ज़िंगुआंग औद्योगिक क्षेत्र, लिउशी, यूकिंग, वानजाउ, झेजियांग, चीन।
X
हम आपको बेहतर ब्राउज़िंग अनुभव प्रदान करने, साइट ट्रैफ़िक का विश्लेषण करने और सामग्री को वैयक्तिकृत करने के लिए कुकीज़ का उपयोग करते हैं। इस साइट का उपयोग करके, आप कुकीज़ के हमारे उपयोग से सहमत हैं। गोपनीयता नीति
अस्वीकार करना स्वीकार करना